Les transmetteurs de pression différentielle capacitifs sont des équipements essentiels pour l'instrumentation industrielle moderne et l'automatisation des procédés . Ils utilisent une technologie de détection capacitive avancée pour mesurer la pression différentielle, relative et absolue avec une grande précision et une stabilité à long terme. Contrairement aux capteurs de pression mécaniques traditionnels, ces transmetteurs sont dépourvus de mécanismes de transmission mécaniques mobiles , ce qui les rend compacts, durables et très résistants aux vibrations. Les réglages indépendants du zéro et de l'échelle garantissent une précision sans interférence mutuelle, contribuant ainsi à leur large utilisation dans tous les secteurs.

En Chine, de nombreuses villes ont implanté des lignes de production de l'entreprise américaine Rosemount , produisant divers modèles pour la mesure de la pression différentielle , de la pression relative et de la pression absolue . Certaines unités incluent également l'extraction de racine carrée pour la mesure du débit , ainsi que des versions conçues pour les applications de haute pression statique et de micro-pression différentielle .
Un transmetteur de pression différentielle capacitif se compose généralement de deux unités principales : une section de mesure et une section de conversion/amplification , comme illustré dans la figure 1 .

Figure 1 : Schéma du circuit du transmetteur de pression différentielle capacitif
1—Oscillateur 2—Capteur capacitif 3—Démodulateur 4—Réglage de plage 5—Limiteur de courant
6—Amplificateur de puissance 7—Amplificateur opérationnel 8—Réglage du zéro et migration du zéro
9—Amplificateur de contrôle d'oscillation 10—Source de tension de référence 11—Régulateur de tension 12—Protection contre l'inversion de polarité
Le capteur capacitif convertit la pression différentielle mesurée (ΔP) en variation de capacité. Les condensateurs différentiels haut et bas, C H et C L , sont excités par un oscillateur haute fréquence . Les variations de courant qui en résultent sont démodulées pour produire des signaux différentiels ( i L − i H ) et des signaux de mode commun ( i L + i H ).
Le signal différentiel est comparé au signal de rétroaction ( I f ), puis amplifié et converti en une sortie CC 4-20 mA . Ce courant de sortie circule à travers la résistance de charge et le réseau de rétroaction, maintenant une relation linéaire entre le signal différentiel et le courant de sortie.
Le capteur capacitif est constitué d'une plaque d'électrode fixe et d'une membrane de mesure mobile, formant deux condensateurs ( C H et C L ) connectés aux chambres haute et basse pression. Sous l'effet d'une pression différentielle, la membrane se déforme, modifiant les capacités. L'oscillateur haute fréquence (généralement 32 kHz) convertit ces variations de capacité en variations de courant, qui sont amplifiées et redressées pour générer un signal continu de 4 à 20 mA proportionnel à la pression différentielle ΔP appliquée.
Lorsque le transmetteur est utilisé pour mesurer le débit (par exemple avec des plaques à orifice, des tubes de Venturi ou des buses) , le signal passe par un extracteur de racine carrée afin d'obtenir une relation linéaire avec le débit. L'appareil fonctionne sur un système à deux fils de 24 V CC , prenant en charge des tensions d'alimentation de 12 à 45 V CC et des résistances de charge jusqu'à 600 Ω .
Le capteur de pression différentielle capacitif à deux chambres est illustré à la figure 2 .

Figure 2 : La structure à deux chambres du capteur de pression différentielle capacitif
1, 4 — Diaphragme d'isolation à motif ondulé ; 2, 3 — Base en acier inoxydable ; 5 — Couche de verre ; 6 — Film métallique ; 7 — Diaphragme de mesure
Dans cette structure, les films métalliques (6) servent d'électrodes fixes, tandis que le diaphragme de mesure (7) sert d'électrode mobile. Les deux faces du diaphragme forment deux chambres séparées remplies d' huile de silicone . Le fluide incompressible transmet la pression différentielle Δp = p_H − p_L aux surfaces du diaphragme.
Lorsque Δp = 0, les capacités des deux côtés ( C H et C L ) sont égales. Lorsque Δp ≠ 0, le diaphragme dévie vers le côté basse pression, ce qui fait que C L > C H .
L'utilisation d'une capacité différentielle réduit les erreurs causées par les variations de température de la constante diélectrique, améliorant ainsi la sensibilité, la précision et la linéarité , facteurs importants dans le contrôle des processus industriels et la mesure de la pression .
Lorsque Δp ≠ 0, la variation de capacité est illustrée dans la Figure 3 .

Figure 3 : Changements de capacité des deux côtés en présence de pression différentielle
Équations: 

Pour un diaphragme avec tension initiale, la déflexion est proportionnelle à la pression différentielle : 
Ici, K₁ est une constante structurelle dépendant de la courbure du diaphragme, de l'espacement des électrodes et de la tension mécanique. Cette relation garantit que le courant de sortie est directement proportionnel à la pression différentielle appliquée, offrant ainsi une excellente précision de mesure.
Le capteur de pression capacitif convertit la pression différentielle en une variation de capacité proportionnelle. La mesure de cette capacité nécessite une excitation CA haute fréquence , généralement autour de 32 kHz .

Figure 4 : Circuit oscillateur Figure 5 : Alimentation de l'oscillateur
Circuit oscillateur (figure 4)
Le circuit comprend les enroulements (bornes 6, 8 et 5, 7) et le condensateur C₂₀ formant une boucle résonante connectée à un transistor VT₁. La résistance de polarisation R₂₉ définit le point de fonctionnement statique. La fréquence est déterminée par l'inductance L et la capacité C.
Alimentation de l'oscillateur (Figure 5)
La mesure de la capacité s'appuyant sur la tension alternative, la tension de l'oscillateur doit rester stable . Une boucle de régulation à contre-réaction stabilise automatiquement la tension tout en garantissant une amplitude de démarrage suffisante.

Comme le montre la figure 6 , le circuit de génération de courant capacitif et le réseau de formation de tension maintiennent une excitation constante.

Figure 6 : Circuit de génération de courant capacitif et circuit de formation de tension U₂
Lorsque Δp ≠ 0, C_H diminue et C_L augmente, et le courant total à travers les deux est exprimé comme suit :

La rétroaction automatique garantit que I L + I H = K₂ (une constante), maintenant la stabilité de la tension et une sensibilité constante.
Dans le circuit de génération de courant capacitif : ![]()
![]()
![]()
Substitution des relations antérieures : 
Courant de sortie total : ![]()
Ainsi, le signal de sortie 4-20 mA du transmetteur de pression différentielle capacitif est directement proportionnel à la pression différentielle appliquée.
L'appareil fournit également un réglage du zéro , un étalonnage de la plage et une protection contre l'inversion de polarité , garantissant un fonctionnement stable et sûr dans les systèmes de mesure de pression industriels .
Les transmetteurs de pression de la série SH produits par silverinstrumens.com sont des transmetteurs de pression à deux fils 4-20 mA largement utilisés, conçus pour les environnements intrinsèquement sûrs et antidéflagrants .
Spécifications clés

Figure 7 : Relation entre la tension d'alimentation et la résistance de charge
Lorsque la tension d'alimentation fluctue de ±1 V, la variation du courant de sortie reste inférieure à 0,005 %, garantissant la stabilité du signal et une grande précision .
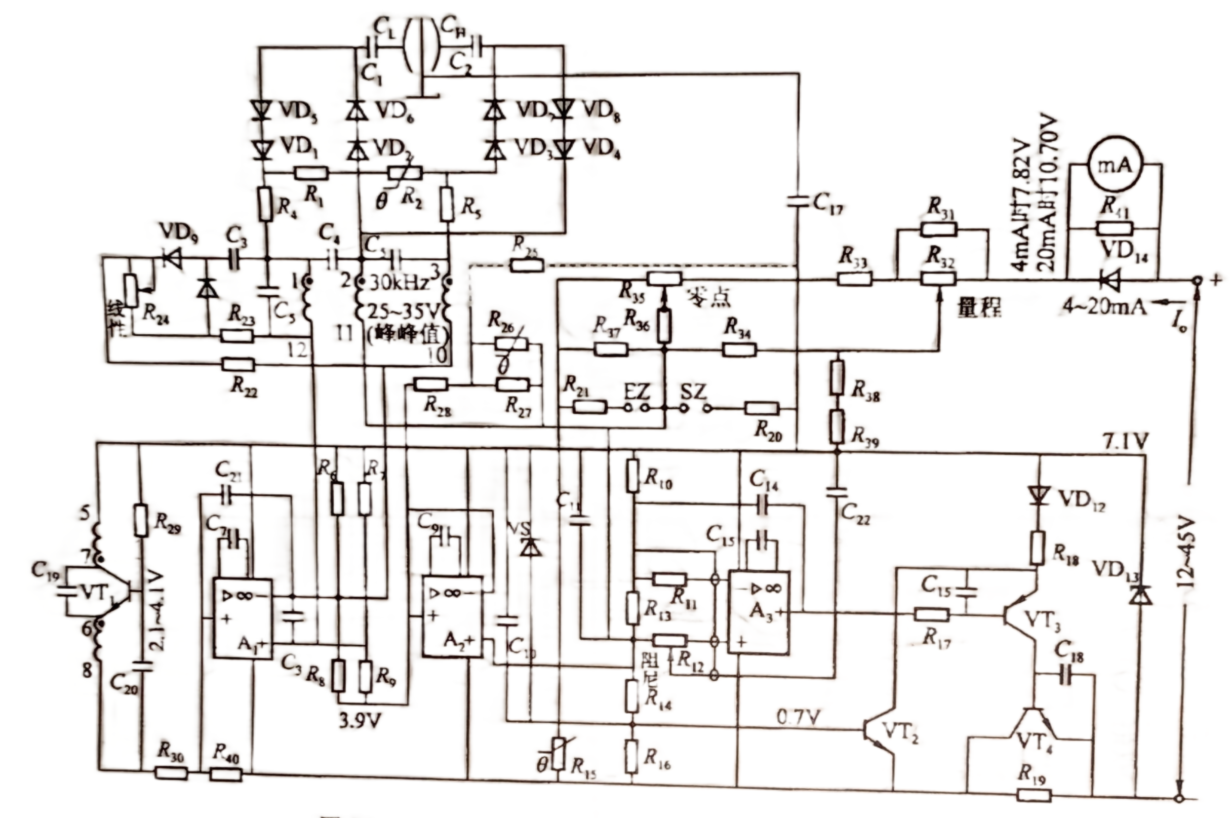
Le circuit global du transmetteur de pression différentielle SHGP/SHDP est illustré à la figure 8

Figure 8 : Conception du circuit du transmetteur de pression capacitif/DP modèle série SH
Composants et fonctions clés :
Ces éléments garantissent des performances précises et stables dans diverses conditions industrielles, faisant de la série SHGP/SHDP l'un des transmetteurs de pression différentielle capacitifs les plus fiables pour le contrôle des processus et l'instrumentation dans le monde.
Transmetteurs basse pression
2025/10/12
Transmetteur basse pression : 16-60 mbar. Haute précision : ± 0,1~0,5 % Protocole Hart, sortie 4-20 mA. Affichage numérique mbar, psi, pa.
VIEW
Capteur de pression en céramique
2025/10/12
Capteur de pression capacitif en céramique. Capteur affleurant et résistant à l'abrasion. Sortie capteur de pression 4-20mA. Pour l'industrie des pâtes et papiers.
VIEW
Capteur de pression capacitif 3351
2025/10/12
Le capteur de pression capacitif est entièrement soudé avec un matériau en acier inoxydable. Ce type de capteur de pression permet de détecter la pression ou la pression différentielle via le rempliss...
VIEW
Transmetteur de pression diffusif en silicium série SH 308
2025/10/12
Informations générales sur les transmetteurs de pression diffusifs en silicium de la série SH 308 Les transmetteurs de pression diffusifs en silicium de la série SH 308 choisissent des composants de c...
VIEW
SHDP / GP DP / Transmetteur de pression avec joints à membrane déportés
2025/10/12
Le transmetteur de pression / pression différentielle SHDP / GP avec joints à membrane déportés fournit une sorte de moyen de mesure fiable pour éviter que le milieu mesuré n'entre directement en cont...
VIEW
Transmetteur de niveau de type SHLT
2025/10/12
Le transmetteur de niveau à bride SHLT (intelligent) peut effectuer une mesure de niveau et une densité précises pour toutes sortes de conteneurs. Bride affleurante et bride étendue disponibles, bride...
VIEW